高精度滤油机\高精度滤油机\便携式滤油机\电厂滤油机 - 滤油机系列-产品中心 - 河南PA视讯过滤设备有限公司


欢迎访问“河南PA视讯过滤设备有限公司”官方网站!
滤油机系列 首页 > 产品中心 > 滤油机系列
高精度滤油机\高精度滤油机\便携式滤油机\电厂滤油机

产品类别:滤油机系列

产品描述:LYC-A系列便移式滤油机(轻便式滤油车)适用于各种石油基矿物油,设计简洁,实用,移动方便,维护简单。可方便地对各种液压润滑系统进行加油过滤,油液净化,也可并联在系统中作为旁滤过滤

咨询热线:15090380199

产品描述

LYC-A系列便移式滤油机(轻便式滤油车)适用于各种石油基矿物油,设计简洁,实用,移动方便,维护简单。可方便地对各种液压润滑系统进行加油过滤,油液净化,也可并联在系统中作为旁滤过滤。

LYC-A系列便移式滤油机应用范围

●液压润滑系统加油时的过滤

●液压润滑系统工作时的旁路过滤

●液压润滑系统投入运行前的循环过滤

●液压润滑系统的油不经设备本身的泵过滤泵出

LYC-A系列便移式滤油机的特点

1.本滤油机包括一个由电机驱动的专用齿轮泵,具有噪音低、自吸能力强,运转平稳等特点。

2.高压管路设有溢流保护装置,可有效保护液压系统的安全。

3.采用热继电器保护,防止电机过载所造成的电机损坏。

4.吸油口粗过滤器保护油泵并延长主过滤器的使用寿命。

5.精过滤器可根据用户的不同需要,选择不同的精度,达到所需要的结果。

6.滤油器壳体采用快开结构,不需要特殊工具便能迅速快捷地打开上盖,更换滤芯。

7.面板上装有压力表,在工作时连续指示出系统的运行状况和滤芯的污染程度。

结构特征

LYC-A便移式滤油机结构特征


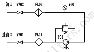
系统原理图

LYC-A系列便移式滤油机系统原理图

设备选型

滤油机系列技术参数表


产品描述不尽完整,详细资料或定制请电话咨询15090380199

 




PA视讯
网站地图